|
上海锯申机电设备租赁有限公司 联系人:王先生 电话:17765178769 13918394465 邮编:201306 地址:上海浦东新区泥城路9弄16号 |
同步发电机的工作原理调控及维护
柴油发电机组是常用的备用电源,由于它以柴油发动机燃烧柴油为动力,带动发电机发出与市电同样性质的电力,所以用在市电断电后需要后备电源供电几小时以上的场合。从性能价格比、对工作环境的要求、带非线性负载能力方面考虑,采用柴油发电机组比使用很多大容量蓄电池的长延时UPS往往具有一定的优势。但是柴油发电机组在市电断电后需要十秒钟左右才能发出稳定的电力,这就大不如UPS可不间断供电的特点。因此,柴油发电机组和UPS通常是取其各自的优势构成一个完善的、可靠的电源系统,以确保重要设备的不间断供电。
柴油发电机组一般是采用同步发电机(也俗称电球)将柴油发动机的旋转机械能转为电能。各种用电设备要依靠它发出的电力工作,因此对同步发电机的工作性能要求是很高的。
1 同步发电机的工作原理
同步发电机是根据电磁感应原理制造的。主要组成部分如图1。现代交流发电机通常由两部分线圈构成;为了提高磁场的强度,一部分线圈绕在一个导磁性能良好的金属片叠成的圆筒内壁的凹槽内,这个圆筒固定在机座上称为定子。定子内的线圈可输出感应电动势和感应电流,所以又称其为电枢。发电机的另一部分线圈则绕在定子圆筒内的一导磁率强的金属片叠成的圆柱体的凹槽内,称为转子。一根轴穿过转子中心并将其紧固在一起,轴两端与机座构成轴承支撑。转子与定子内壁之间保持小而均匀的间隙且可灵活转动。这叫做旋转磁场式结构的无刷同步发电机。
工作时,转子线圈通以直流电形成直流恒定磁场,在柴油机的带动下转子快速旋转,恒定磁场也随之旋转,定子的线圈被磁场磁力线切割产生感应电动势,发电机就发出电来。
1—前端盖;2—出风盖板;3—轴承;4—定子;5—端子箱侧板;6—电压调节器;7—调节器支架;8—端子箱顶盖;9—端子箱前后板;10—接线板;11—接线板支架;12—端子箱侧板;13—吊攀;14—轴承盖;15—进风盖板;16—后端盖;17—励磁定子;18—励磁定子固定螺栓;19—轴承;20—旋转整流器;21—励磁电枢;22—接地牌;23—转子;24—风扇;25—永磁机机壳;26—永磁机转轴;27—永磁机转子;28—永磁机定子;29—永磁机定子固定螺栓;30—永磁机转子固定螺栓;31—垫圈;32—永磁机盖板
图1 双轴承发电机剖视图
转子及其恒定磁场被柴油机带动快速旋转时,在转子与定子之间小而均匀的间隙中形成一个旋转的磁场,称为转子磁场或主磁场。平常工作时发电机的定子线圈即电枢都接有负载,定子线圈被磁场磁力线切割后产生的感应电动势通过负载形成感应电流,此电流流过定子线圈也会在间隙中产生一个磁场,称为定子磁场或电枢磁场。这样在转子、定子之间小而均匀的间隙中出现了转子磁场和定子磁场,这两个磁场相互作用构成一个合成磁场。发电机就是由合成磁场的磁力线切割定子线圈而发电的。由于定子磁场是由转子磁场引起的,且它们之间总是保持着一先一后并且同速的同步关系,所以称这种发电机为同步发电机。同步发电机在机械结构和电器性能上都具有许多优点。
2 同步发电机的调控
同步发电机在其额定负载范围内允许带各种用电负荷。这些负荷的输入特性会直接影响发电机的输出电压;当负载为纯电阻性时,因为同步发电机的定子端电压——电枢端电压与负载电流是同相的,所以使得转子磁场的前一半被定子磁场削弱,而后一半又被定子磁场加强,一周内合成磁场平均值不变,发电机输出电压不变。负载呈现为纯电感性时,则因负载电流滞后电枢端电压90°而使得定子磁场削弱了转子磁场,合成磁场降低,造成发电机输出电压下降。若负载是纯电容性的,负载电流就会超前电枢端电压90°,从而使定子磁场加强了转子磁场,合成磁场增大,发电机输出电压上升。可见;合成磁场是使发电机性能变化的一个重要因素。而合成磁场中起主要作用的是转子磁场即主磁场,因此,调控转子磁场就可以调节同步发电机的输出电压改善其带负载能力,从而达到在额定负荷范围内稳住发电机输出电压的目的。
(1)同步发电机转子的励磁
所谓励磁即是向同步发电机转子提供直流电使其产生直流电磁场的过程。同步发电机转子凹槽内的线圈就是由称做励磁机的一个专门的设备为其供以直流电形成直流磁场的。早期的发电机是采用单独的励磁机给转子线圈提供直流电的,系统庞大而复杂。随着技术的进步,现代同步发电机都是将发电机与励磁机组装在一起构成一个完整的发电机。
励磁机其实就是个小发电机,它的工作原理与同步发电机一样。所不同的是它的定子线圈和转子线圈所起的作用与同步发电机——主发电机正好相反;固定在主发电机定子旁的励磁机的定子线圈通以直流电形成直流磁场,而安装在主发电机转子轴上的励磁机的转子线圈成为输出电动势的电枢。励磁机的转子与定子内壁之间也是保持着小而均匀的间隙。这也称为旋转电枢式结构的无刷同步发电机。安装在主发电机定子旁的励磁机定子线圈的直流电,是由主发电机定子线圈即电枢的部分输出电压经整流后而得到的。与主发电机转子同轴安装的励磁机转子线圈在其定子线圈产生的磁场内旋转、切割磁力线所产生的感应电动势,经同轴安装在它旁边的整流器也就是旋转整流器变成直流电流,输到主发电机的转子线圈使其产生直流转子磁场。从而达到了对主发电机转子线圈励磁的要求。
(2)同步发电机输出电压的调控
调控的目的就是实现在同步发电机额定负荷范围内稳住输出电压。调控技术的理念是实时地从主发电机电枢取得电压和电流,经整流和负反馈调理后供给励磁机的定子线圈,使其产生变化规律与主发电机输出电压变化规律相反的直流电磁场,这个磁场也必然使励磁机转子电枢的输出电压及旋转整流器供给主发电机转子线圈的直流电流按同样的规律而变化。从而起到实时调节主发电机转子磁场大小,使主发电机在额定负荷范围内保持良好输出特性的作用。
对发电机输出电压的调节过程,可以用以下的流程表示;
由于负荷增加使主发电机电枢电压↓(降) →经负反馈调理后励磁机定子电流及磁场↑→励磁机转子电枢输出电压↑→旋转整流器输出电流↑→主发电机转子磁场↑→使主发电机电枢电压↑
若主发电机电压升高,则其反馈调控使以上各环节作用降低,导致电压回到额定值。
可见通过励磁机实时调控主发电机转子磁场的大小,就可以稳住输出电压。这其中起重要作用的是负反馈调节单元,通常称其为恒压励磁装置和自动电压调节器。
(3)自动电压调节器
现代交流同步发电机常用自动电压调节器AVR这种电子部件调节励磁机定子磁场的强弱。虽然AVR的种类很多,但性能大同小异;都是实时采样主发电机的输出电压值与预先设定的值相比较,用比较的结果去调节脉冲宽度调制器PWM;输出电压值高则调制器输出脉冲宽度窄,反之则宽。然后再用这些脉冲去调控大功率开关器件即三极管或场效应管控制送入励磁机定子线圈的电流的时间。从而使它的磁场强弱随着主发电机输出电压的变化而相反变化;即输出电压升高则励磁机定子磁场减小,输出电压降低励磁机定子磁场增强。从而达到负反馈调控的目的。
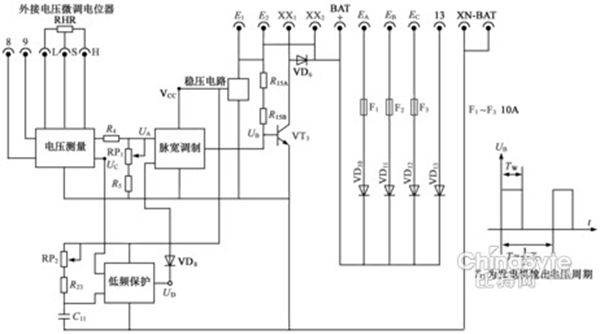
图2 自动电压调节器电路原理方框图
图2是常用的一种AVR类型。取样自主发电机输出电压的信号从8、9两端输入到电压测量比较单元,与内部预先设定的电压值(例如380V)相比较。比较结果以输出电压UA送入脉冲宽度调制单元PWM,输出电压UC送入低频保护单元。电压测量比较单元的L、S、H是连接主发电机输出电压幅值调节电位器的三个端子。
脉冲宽度调制器由稳压器输出的直流电压UCC作为工作电源,以确保其性能稳定。它的输出电压UB控制调制管VT3。若由电压测量比较单元送来的UA大,表明主发电机输出电压升高,则大的UA就会使脉冲宽度调制器输出的脉冲UB的宽度变窄。窄的脉冲就会使VT3导通时间短,通过的电流少。反之,主发电机电压降低UA变小,脉冲宽度调制器输出的脉冲UB的宽度随之变宽,从而使VT3导通时间变长,通过的电流增多。
励磁机定子线圈一端接在端子X1上,另一端接在XX1端子上。由主发电机电枢送来的EA、EB、Ec三相电压,经过三个二极管VD10、VD11、VD12整流后,电流从X1端流入励磁机的定子线圈,由XX1流出,再经过调制管VT3和XN端子流回主发电机电枢,形成励磁机定子线圈的励磁电流通路。VT3是这个通路上的开关,它导通时间长,则定子线圈流过电流时间长,定子磁场强度大;VT3导通时间短,定子线圈电流少,定子磁场强度小。
AVR就是这样调控主发电机的电压的;主发电机由于负荷原因输出电压升高,电压测量比较单元输出的UA随着升高,受UA控制的脉宽调制器输出脉冲UB宽度变窄,开关管VT3导通时间短,励磁机定子磁场减弱,转子电枢电压及旋转整流器输出电流随之减小,导致供给主发电机转子的励磁电流变小,则主发电机因其转子磁场的减小而使输出电压降低。反之,AVR的负反馈调控功能就会使主发电机的输出电压升高。
在主发电机因负荷超出额定值而输出极大电流时,柴油发动机也需随之输出巨大的动力以致导致其转速低于额定值。低频保护单元的作用就是在这种情况下限制励磁机定子线圈里电流的超额增大。它以电阻和电容构成的充放电支路预先设定一个低频保护点,当主发电机负荷正常时,从电压测量单元来的UC小于低频保护点,则低频保护单元输出的电压Ud高,二极管VD8被截止,Ud到不了脉宽调制器,起不了作用。若主发电机超载则Ud变低,VD8导通,Ud和UA就可同时作用于脉宽调制器,使其输出的脉冲UB随Ud的下降而变窄,调制管VT3导通时间随之变短,励磁电流减小励磁机定子磁场变弱,从而导致主发电机转子磁场减小。发电机输出电压下降、电流减小。低频保护单元起到了保护励磁机和主发电机的作用。
3 同步发电机的维护
同步发电机是柴油发电机组的关键部分。为柴油发电机组建立一个合适的工作环境,做好日常维护是十分必要的。
发电机房内的高温、潮湿和空气污染物是引起发电机故障的最常见因素。粉尘、灰尘和其它空气污染物的积累会引起绝缘层的性能变坏,不仅易形成对地的导电通路,还会使转子轴承部分的摩擦力增大而发热。湿气以及空气污染物中的湿气极易在发电机内形成对地的漏电通路,引起发电机故障。机房内温度过高会使发电机组工作时产生的热量难以散出,造成其输出功率下降、机组过热。所以机房的防尘、防潮湿、通风降温就必须引起足够的重视。
无论是单轴承发电机还是双轴承发电机,它们的转子轴与柴油发动机主轴之间连接的同轴度要求很高。长时期运行后的机组有时同轴度可能降低,导致发电机燥声增大,温度过高。应定期检查、维护以保持同轴度良好。
负荷超出发电机的额定负载范围,或三相负荷很不平衡,也会造成发电机效率降低和过热。
